处理中...

首页  >  产品百科  >  2SC4124

2SC4124

产品分类:
产品描述:
供应商型号: 2SC4124 TO-3PF
供应商: 国内现货
标准整包数: 5
ISC/无锡固电半导体  2SC4124

2SC4124概述

    2SC4124 Silicon NPN Power Transistor 技术手册

    产品简介


    2SC4124 是由ISC半导体公司生产的一款高性能硅基NPN功率晶体管。它特别适用于超高清晰度阴极射线管(CRT)显示设备的水平偏转输出电路。该产品具有高击穿电压、高速开关性能、高可靠性等特点,内置防浪涌二极管,可以最大限度减少批次之间的差异,确保稳定可靠的工作性能。

    技术参数


    - 绝对最大额定值:
    - 集电极-基极电压 (VCBO):1500V (最小)
    - 集电极-发射极电压 (VCEO):800V
    - 发射极-基极电压 (VEBO):6V
    - 集电极连续电流 (IC):8A
    - 集电极峰值电流 (ICP):25A
    - 集电极耗散功率 (PC):在Ta=25℃时为3.0W,在TC=25℃时为70W
    - 结温 (TJ):150℃
    - 存储温度范围 (Tstg):-55℃至150℃
    - 电气特性:
    - 集电极-发射极耐压 (VCEO(SUS)):800V (IC=10mA, IB=0)
    - 集电极-发射极饱和电压 (VCE(sat)):5.0V (IC=6A, IB=1.5A)
    - 基极-发射极饱和电压 (VBE(sat)):1.5V (IC=6A, IB=1.5A)
    - 集电极截止电流 (ICBO):10μA (VCB=800V, IE=0)
    - 集电极截止电流 (ICES):1.0mA (VCE=1500V, RBE=0)
    - 发射极截止电流 (IEBO):40mA至130mA (VEB=4V, IC=0)
    - 直流电流增益 (hFE-1):8 (IC=1A, VCE=5V)
    - 直流电流增益 (hFE-2):4至6 (IC=6A, VCE=5V)
    - 开关时间:
    - 存储时间 (tstg):3.0μs (IC=6A, IB1=1.2A; IB2=-2.4A, RL=33.3Ω, VCC=200V)
    - 下降时间 (tf):0.2μs

    产品特点和优势


    2SC4124 的主要特点包括:
    - 高击穿电压:VCBO 最高达 1500V,适用于高电压环境。
    - 高速开关性能:开关时间短,存储时间和下降时间分别为 3.0μs 和 0.2μs,确保高效能转换。
    - 高可靠性:内置防浪涌二极管,减少批次间差异,保证长期稳定性。
    - 宽广的应用范围:适用于超高清晰度 CRT 显示设备,特别是在高电压和高电流需求的应用场合。

    应用案例和使用建议


    2SC4124 主要用于超高清晰度 CRT 显示器的水平偏转输出电路。建议在使用时:
    - 确保集电极电压不超过绝对最大额定值,以避免击穿。
    - 注意散热管理,尤其是在高电流运行条件下,以避免过热损坏。
    - 使用高质量的印刷电路板(PCB),并确保良好的布线设计,减少寄生效应。

    兼容性和支持


    目前手册未明确提及与其他电子元器件的具体兼容性信息,但因其广泛适用性,建议用户参考产品详细手册或联系厂商获取更多信息。ISC半导体提供一定的技术支持和售后服务,具体信息可咨询官方客服。

    常见问题与解决方案


    1. 问题:集电极电流超出最大额定值,导致过热。
    - 解决方案:确保负载匹配,限制电流在安全范围内,并采取有效的散热措施。
    2. 问题:开关时间过长,影响电路响应速度。
    - 解决方案:优化电路设计,确保合适的门极驱动信号,以提高开关速度。
    3. 问题:出现饱和电压过高现象。
    - 解决方案:检查电路设计,调整驱动电流,确保合适的工作点。

    总结和推荐


    总体而言,2SC4124 是一款性能优异、可靠性高的硅基NPN功率晶体管,特别适合应用于超高清晰度 CRT 显示设备。其高击穿电压和高速开关性能使其在多种高要求环境中表现出色。虽然价格可能略高于一些常规型号,但其卓越的性能和可靠性使它成为高端应用的理想选择。因此,强烈推荐在适合的应用场景中使用此产品。

2SC4124参数

参数
最大功率耗散 -
VCEO-集电极-发射极最大电压 -
配置 -
最大集电极发射极饱和电压 -
不同 Ib,Ic 时的 Vce 最大饱和值 -
晶体管类型 -
集电极截止电流 -
集电极电流 -
VEBO-最大发射极基极电压 -
VCBO-最大集电极基极电压 -
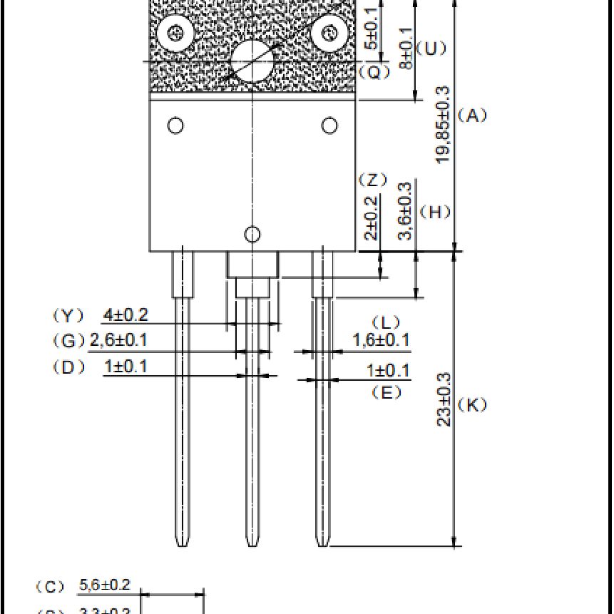
通用封装 TO-3PF

2SC4124厂商介绍

ISC(International Scientific Communications, Inc.)是一家全球性的公司,专注于提供高性能计算(HPC)解决方案,包括超级计算机、集群和存储系统。ISC的主营产品分类包括:

1. 超级计算机:提供高性能的计算能力,用于科学研究、工程设计和数据分析等领域。
2. 集群系统:构建分布式计算环境,适用于需要大规模并行处理的任务。
3. 存储系统:提供大容量、高速度的数据存储解决方案,满足数据密集型应用的需求。

ISC的产品广泛应用于以下领域:

- 科学研究:如气候模拟、生物信息学、物理模拟等。
- 工程设计:如汽车、**器的流体动力学模拟和结构分析。
- 金融服务:如风险管理、高频交易和金融建模。
- 数据分析:如大数据分析、机器学习和人工智能应用。

ISC的优势在于:

- 技术创新:不断研发新技术,以提高计算效率和降低能耗。
- 定制服务:根据客户需求提供定制化的解决方案。
- 全球支持:提供全球范围内的技术支持和服务。
- 性能领先:其超级计算机和集群系统在性能上处于行业领先地位。

ISC通过这些优势,帮助客户解决复杂的计算问题,推动科技进步和创新。

2SC4124数据手册

厂牌 PDF简要描述 下载
ISC/无锡固电半导体 ISC/无锡固电半导体 2SC4124 2SC4124数据手册

2SC4124封装设计

查看详情并下载
Symbol
Footprint
3D Model
价格梯度 中国香港交货 内地交货(含增值税)
5+ ¥ 28.125
600+ ¥ 18
库存: 3500
起订量: 5 增量: 600
交货地:
最小起订量为:5
合计: ¥ 140.62
直接购买
加入购物车

爆款推荐

型号 价格(含增值税)
#636CY-470M=P3 ¥ 14.2296
0.731.301 ¥ 980.0982
0.87.0023.0 ¥ 113.6533
0.87.0033.0 ¥ 474.4184
0.87.0055.0 ¥ 33.4765
0.891.606 ¥ 484.9515
0.891.607 ¥ 484.9515
00 21 02 EL ¥ 5164.7191
00 21 36 LE ¥ 4503.9297
000648 ¥ 606.879