处理中...

首页  >  产品百科  >  2SB1361

2SB1361

产品分类:
产品描述:
供应商型号: 2SB1361 TO-3PF
供应商: 国内现货
标准整包数: 5
ISC/无锡固电半导体  2SB1361

2SB1361概述

    电子元器件产品技术手册:isc Silicon PNP Power Transistor 2SB1361

    产品简介


    isc Silicon PNP Power Transistor 2SB1361 是一款高性能的PNP功率晶体管,专为高功率放大应用而设计。该产品具有宽广的安全操作区域,且与Type 2SD2052型号互补。它具有最小的批次间差异,确保了稳定可靠的性能。

    技术参数


    以下是2SB1361的技术规格和性能参数:
    | 参数符号 | 参数名称 | 条件 | 最小值 | 典型值 | 最大值 | 单位 |
    ||
    | VCBO | 集电极-基极电压 -150 V |
    | VCEO | 集电极-发射极电压 -150 V |
    | VEBO | 发射极-基极电压 -5 V |
    | IC | 集电极电流(连续) | -9 | A |
    | ICP | 集电极电流(脉冲) | -15 | A |
    | PC | 集电极耗散功率(Ta=25℃) | 3 | W |
    | TJ | 结温 | 150 | ℃ |
    | Tstg | 存储温度范围 -55 150 | ℃ |

    产品特点和优势


    2SB1361的主要优势包括:
    - 宽广的安全操作区域,提高了可靠性和耐用性。
    - 最小的批次间差异,保证了设备的一致性和稳定性。
    - 适用于高功率放大应用,例如音频放大器、工业控制等领域。

    应用案例和使用建议


    2SB1361广泛应用于高功率放大电路中,如音频放大器和电机驱动等。以下是一些使用建议:
    - 确保电路设计符合其绝对最大额定值要求,以避免损坏。
    - 使用适当的散热措施,以维持较低的工作温度,提高长期可靠性。

    兼容性和支持


    目前没有特别提及与其他电子元器件的兼容性信息。厂商提供了一般技术支持和服务,但不适用于特殊质量和可靠性要求的应用场合。如需用于特殊应用,请联系厂商。

    常见问题与解决方案


    以下是用户可能遇到的一些问题及解决方案:
    1. 问题:工作温度超出规定范围。
    解决方案:使用合适的散热器并监控工作环境温度。

    2. 问题:饱和压降过高。
    解决方案:检查电路设计,确保负载电流和电压匹配。

    总结和推荐


    isc Silicon PNP Power Transistor 2SB1361 在高功率应用中表现出色,尤其适合需要宽广安全操作区的场合。尽管厂商不提供适用于特殊环境的产品支持,但在标准应用环境下,该产品是一个可靠的选择。因此,强烈推荐在符合要求的应用场景中使用2SB1361。

2SB1361参数

参数
不同 Ib,Ic 时的 Vce 最大饱和值 -
配置 -
晶体管类型 -
VCEO-集电极-发射极最大电压 -
最大集电极发射极饱和电压 -
VCBO-最大集电极基极电压 -
集电极电流 -
集电极截止电流 -
VEBO-最大发射极基极电压 -
最大功率耗散 -
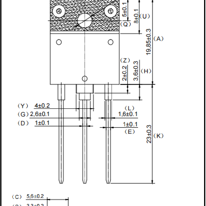
通用封装 TO-3PF

2SB1361厂商介绍

ISC(International Scientific Communications, Inc.)是一家全球性的公司,专注于提供高性能计算(HPC)解决方案,包括超级计算机、集群和存储系统。ISC的主营产品分类包括:

1. 超级计算机:提供高性能的计算能力,用于科学研究、工程设计和数据分析等领域。
2. 集群系统:构建分布式计算环境,适用于需要大规模并行处理的任务。
3. 存储系统:提供大容量、高速度的数据存储解决方案,满足数据密集型应用的需求。

ISC的产品广泛应用于以下领域:

- 科学研究:如气候模拟、生物信息学、物理模拟等。
- 工程设计:如汽车、**器的流体动力学模拟和结构分析。
- 金融服务:如风险管理、高频交易和金融建模。
- 数据分析:如大数据分析、机器学习和人工智能应用。

ISC的优势在于:

- 技术创新:不断研发新技术,以提高计算效率和降低能耗。
- 定制服务:根据客户需求提供定制化的解决方案。
- 全球支持:提供全球范围内的技术支持和服务。
- 性能领先:其超级计算机和集群系统在性能上处于行业领先地位。

ISC通过这些优势,帮助客户解决复杂的计算问题,推动科技进步和创新。

2SB1361数据手册

厂牌 PDF简要描述 下载
ISC/无锡固电半导体 ISC/无锡固电半导体 2SB1361 2SB1361数据手册

2SB1361封装设计

查看详情并下载
Symbol
Footprint
3D Model
价格梯度 中国香港交货 内地交货(含增值税)
5+ ¥ 28.125
600+ ¥ 18
库存: 3150
起订量: 5 增量: 600
交货地:
最小起订量为:5
合计: ¥ 140.62
直接购买
加入购物车

爆款推荐

型号 价格(含增值税)
#636CY-470M=P3 ¥ 14.2296
0.731.301 ¥ 980.0982
0.87.0023.0 ¥ 113.6533
0.87.0033.0 ¥ 474.4184
0.87.0055.0 ¥ 33.4765
0.891.606 ¥ 484.9515
0.891.607 ¥ 484.9515
00 21 02 EL ¥ 5164.7191
00 21 36 LE ¥ 4503.9297
000648 ¥ 606.879