处理中...

首页  >  产品百科  >  2SC4886

2SC4886

产品分类:
产品描述: Silicon NPN Power Transistor
供应商型号: 2SC4886 TO-3PF
供应商: 国内现货
标准整包数: 5
ISC/无锡固电半导体  2SC4886

2SC4886概述

    2SC4886 NPN Power Transistor 技术手册解析

    产品简介


    2SC4886 是由 INCHANGE Semiconductor 生产的一款硅基 NPN 功率晶体管,属于 2SA1860 的互补型产品。它主要用于音频放大及通用电气应用。此产品经过100%雪崩测试,并且批次间差异小,确保了稳定可靠的性能。

    技术参数


    - 绝对最大额定值
    - 集电极-基极电压(VCBO):150V
    - 集电极-发射极电压(VCEO):150V
    - 发射极-基极电压(VEBO):5V
    - 集电极连续电流(IC):14A
    - 基极连续电流(IB):3A
    - 集电极耗散功率(PC):80W (TC=25°C)
    - 结温(TJ):150°C
    - 存储温度范围(Tstg):-55~150°C
    - 电气特性
    - 集电极-发射极击穿电压(V(BR)CEO):150V (IC= 25mA; IB= 0)
    - 集电极-发射极饱和电压(VCE(sat)):2.0V (IC= 5A; IB= 0.5A)
    - 集电极截止电流(ICBO):100μA (VCB= 150V; IE= 0)
    - 发射极截止电流(IEBO):100μA (VEB= 5V; IC= 0)
    - 直流电流增益(hFE):50-180 (IC= 5A; VCE= 4V)
    - 电流增益-带宽积(fT):60MHz (IE= -2A; VCE= 12V)
    - 输出电容(COB):200pF (IE= 0; VCB= 10V; ftest= 1.0MHz)
    - 开关时间
    - 导通时间(ton):0.26μs (IC= 5A; IB1= -IB2= -0.5A; RL= 12Ω; VCC= 60V)
    - 储存时间(tstg):1.5μs
    - 关断时间(tf):0.35μs

    产品特点和优势


    2SC4886 具有较高的集电极-发射极击穿电压(V(BR)CEO),并且经过100%雪崩测试,保证了在恶劣环境下的可靠性。同时,它具备较低的集电极-发射极饱和电压(VCE(sat))和较大的直流电流增益(hFE),使其适用于需要高效率和高增益的应用场景。此外,该产品的存储时间和导通时间都非常短,有利于提高开关速度和减少能耗。

    应用案例和使用建议


    2SC4886 可用于音频放大电路和一般电子设备中。例如,在音频放大器中,它可以作为功率放大管使用,提高系统的输出功率和音质。在使用过程中,建议注意以下几点:
    - 确保散热良好,以避免过热损坏。
    - 在高频应用时,需考虑寄生电容的影响,合理设计电路布局。

    兼容性和支持


    该产品与其他标准 NPN 晶体管具有良好的兼容性,可以方便地替代同类产品。INCHANGE Semiconductor 提供全面的技术支持和售后服务,帮助客户解决在使用过程中遇到的问题。

    常见问题与解决方案


    - 问题一:在高温环境下,晶体管失效。
    - 解决方案:确保良好的散热措施,如加装散热片或采用强制风冷。

    - 问题二:开关速度慢,导致信号失真。
    - 解决方案:优化电路布局,减小寄生电容的影响,并选择合适的驱动电路。

    总结和推荐


    总体而言,2SC4886 NPN 功率晶体管是一款性能优异、可靠性高的产品,特别适合于音频放大及通用电气应用。它具有稳定的电气特性、较快的开关速度和高耐压能力,是电子工程师的理想选择。因此,我们强烈推荐在相关应用中使用此产品。

2SC4886参数

参数
最大功率耗散 -
配置 -
最大集电极发射极饱和电压 -
VCEO-集电极-发射极最大电压 -
VEBO-最大发射极基极电压 -
VCBO-最大集电极基极电压 -
集电极截止电流 -
不同 Ib,Ic 时的 Vce 最大饱和值 -
晶体管类型 -
集电极电流 -
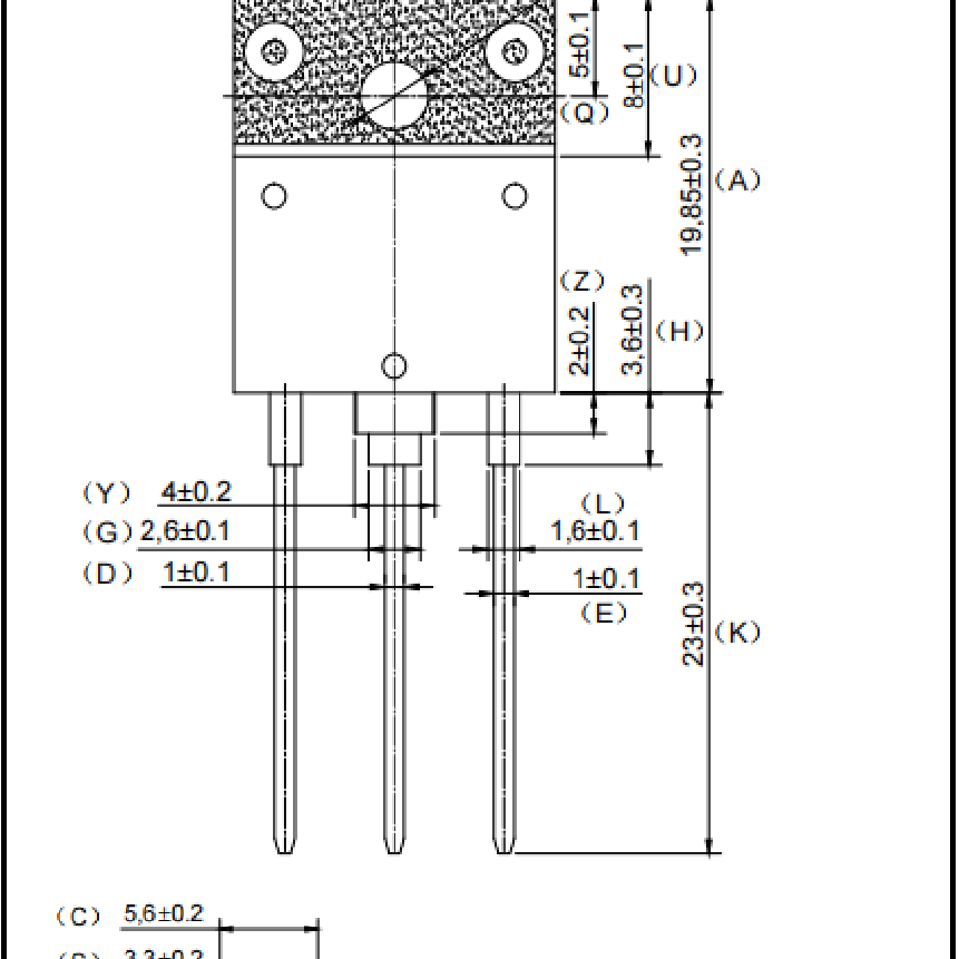
通用封装 TO-3PF

2SC4886厂商介绍

ISC(International Scientific Communications, Inc.)是一家全球性的公司,专注于提供高性能计算(HPC)解决方案,包括超级计算机、集群和存储系统。ISC的主营产品分类包括:

1. 超级计算机:提供高性能的计算能力,用于科学研究、工程设计和数据分析等领域。
2. 集群系统:构建分布式计算环境,适用于需要大规模并行处理的任务。
3. 存储系统:提供大容量、高速度的数据存储解决方案,满足数据密集型应用的需求。

ISC的产品广泛应用于以下领域:

- 科学研究:如气候模拟、生物信息学、物理模拟等。
- 工程设计:如汽车、**器的流体动力学模拟和结构分析。
- 金融服务:如风险管理、高频交易和金融建模。
- 数据分析:如大数据分析、机器学习和人工智能应用。

ISC的优势在于:

- 技术创新:不断研发新技术,以提高计算效率和降低能耗。
- 定制服务:根据客户需求提供定制化的解决方案。
- 全球支持:提供全球范围内的技术支持和服务。
- 性能领先:其超级计算机和集群系统在性能上处于行业领先地位。

ISC通过这些优势,帮助客户解决复杂的计算问题,推动科技进步和创新。

2SC4886数据手册

厂牌 PDF简要描述 下载
ISC/无锡固电半导体 ISC/无锡固电半导体 2SC4886 2SC4886数据手册

2SC4886封装设计

查看详情并下载
Symbol
Footprint
3D Model
价格梯度 中国香港交货 内地交货(含增值税)
5+ ¥ 28.125
600+ ¥ 18
库存: 4000
起订量: 5 增量: 600
交货地:
最小起订量为:5
合计: ¥ 140.62
直接购买
加入购物车

爆款推荐

型号 价格(含增值税)
#636CY-470M=P3 ¥ 14.2296
0.731.301 ¥ 980.0982
0.87.0023.0 ¥ 113.6533
0.87.0033.0 ¥ 474.4184
0.87.0055.0 ¥ 33.4765
0.891.606 ¥ 484.9515
0.891.607 ¥ 484.9515
00 21 02 EL ¥ 5164.7191
00 21 36 LE ¥ 4503.9297
000648 ¥ 606.879